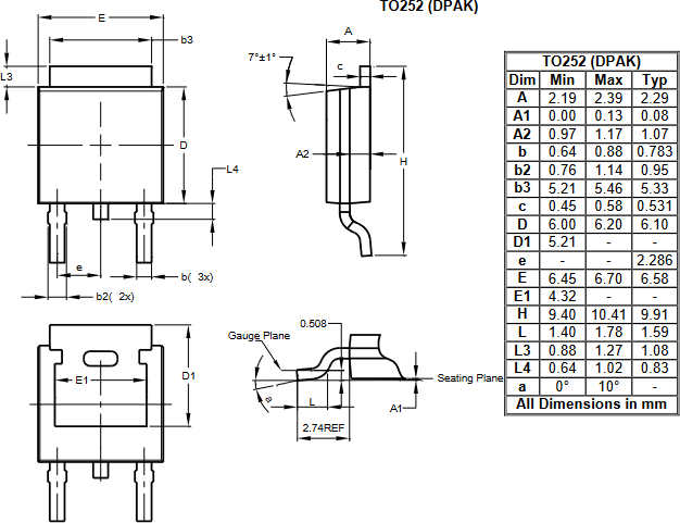
Boîtier DPAK

Référence du boîtier : #000014

Apparence

Facteur de forme :
Dimensions :
 mm
 mm
 mm
 mm
Unités :

Caractéristiques

Désignations :
Paramètres :
Étiquettes :

Documentation


Composants

Exemples de composants utilisants ce boîtier (limité à 10) :

ComposantRéférenceFabricantDescription
BJTTransistor à Jonction Double
MJD45H11T4GOn SemiconductorTransistor, PNP Simple, 8 A, 80 V, DPAK (TO-252), 3 broches, gain de 40
MOSFETTransistor MosFet
DMP4051LK3Diodes IncorporatedMOSFET de puissance, Canal P, 40 V, 8.4 A, 0.085 ohm, TO-252, Montage en surface
ThyristorFS0809MD TRFagor ElectronicaThyristor; 600V; 8A; Igt: 15mA@1.6V; DPAK (TO-252)