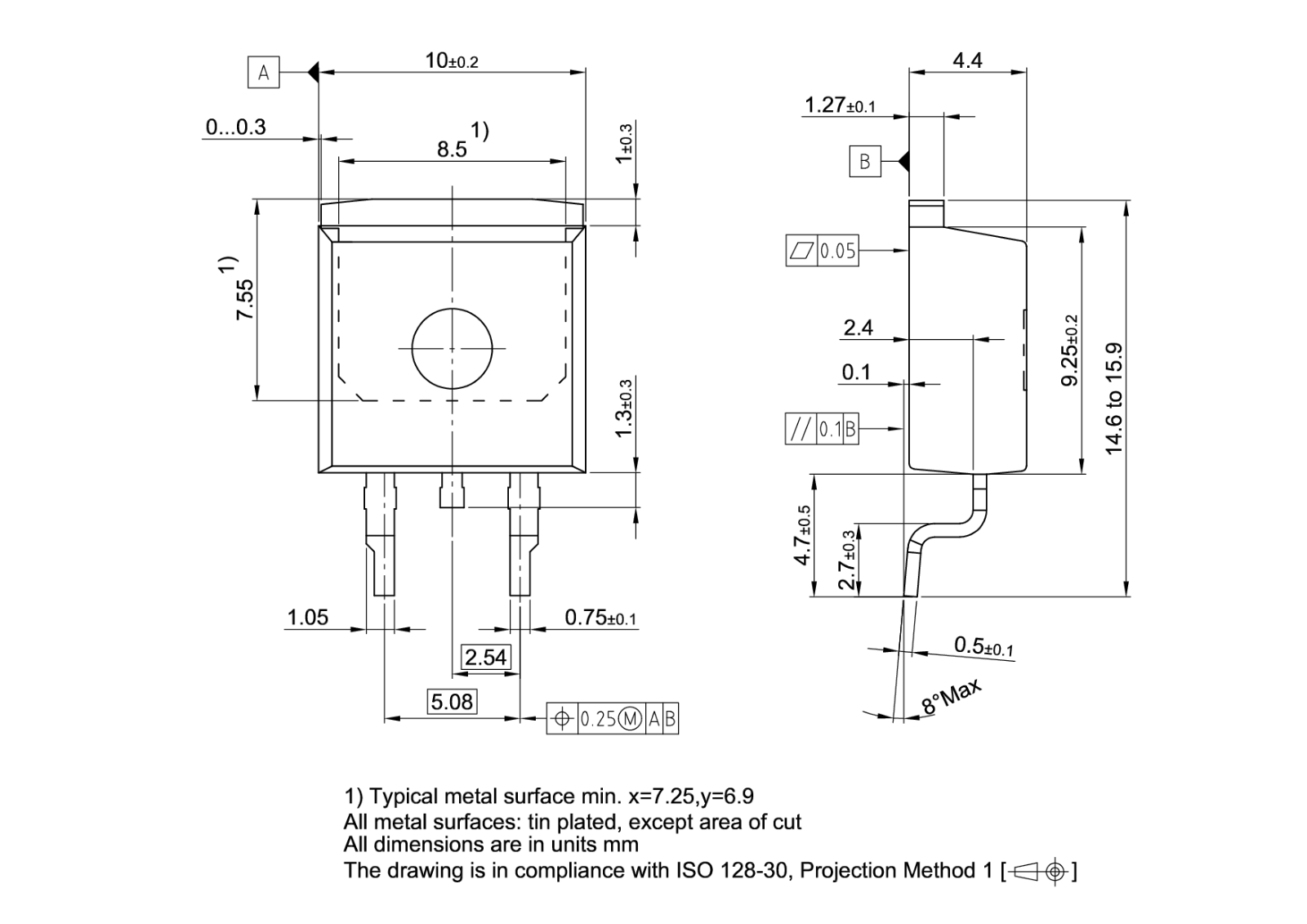
Boîtier D²PAK

Référence du boîtier : #000076

Apparence

Facteur de forme :
Dimensions :
 mm
 mm
 mm
 mm
Unités :

Caractéristiques

Désignations :
Paramètres :
Étiquettes :

Documentation


Composants

Exemples de composants utilisants ce boîtier (limité à 10) :

ComposantRéférenceFabricantDescription
Tension fixeRégulateur de tension fixe
L7805CD2TSTMicroelectronicsRégulateur de tension 5V 1,5A faible chute, D²PAK
Tension fixeRégulateur de tension fixe
L7812CD2TSTMicroelectronicsRégulateur de tension 12V 1,5A faible chute, D²PAK
TriacBT139B-600,118STMicroelectronicsTRIAC, 600V, 16A, Tension de déclenchement 1.5V 70mA D2PAK (TO-263), 3 broches