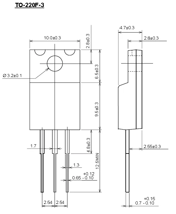
Boîtier TO-220FP
Référence du boîtier : #000053
Apparence
Facteur de forme :
Non défini
Cylindrique (axial)
Cylindrique (radial)
Goutte
Rectangulaire
Dimensions :
Pas :
mm
Largeur :
mm
Longueur :
mm
Hauteur :
mm
Unités :
mm
mil
Convertir automatiquement
Caractéristiques
Désignations :
SOT186A
TO-220F
TO-220FP
★
Paramètres :
Montage :
Cartouche
CMS
Cosses 6,35mm
Gougon à visser
Traversant
Nombre de broches :
Étiquettes :
Isolé
Montable sur radiateur
Documentation
Esquisse :
Composants
Exemples de composants utilisants ce boîtier (limité à 10) :
Composant
Référence
Fabricant
Description
Thyristor
TYN16X-600CT
NXP
Thyristor; 600V; Ifmax: 16A; 10,2A; Igt: 15mA; TO220FP; THT