Boîtier MBS
Référence du boîtier : #000051
Apparence
Facteur de forme :
Non défini
Cylindrique (axial)
Cylindrique (radial)
Goutte
Rectangulaire
Dimensions :
Pas :
mil
Largeur :
mil
Longueur :
mil
Hauteur :
mil
Unités :
mm
mil
Convertir automatiquement
Caractéristiques
Désignations :
MBS
★
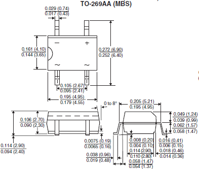
TO-269AA
Paramètres :
Montage :
Cartouche
CMS
Cosses 6,35mm
Gougon à visser
Traversant
Nombre de broches :
Étiquettes :
Documentation
Esquisse :
Composants
Exemples de composants utilisants ce boîtier (limité à 10) :
Composant
Référence
Fabricant
Description
Pont de diodes
MB6S
NO_NAME
Pont redresseur monophasé 0,5A 600V, MBS (TO-269AA)