Boîtier BR6
Référence du boîtier : #000046
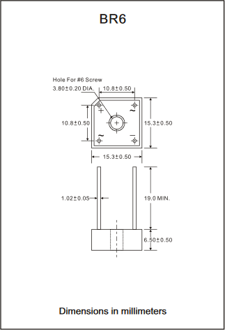
Apparence
Facteur de forme :
Non défini
Cylindrique (axial)
Cylindrique (radial)
Goutte
Rectangulaire
Dimensions :
Pas :
mm
Largeur :
mm
Longueur :
mm
Hauteur :
mm
Unités :
mm
mil
Convertir automatiquement
Caractéristiques
Désignations :
BR6
★
Paramètres :
Montage :
Cartouche
CMS
Cosses 6,35mm
Gougon à visser
Traversant
Nombre de broches :
Étiquettes :
Documentation
Esquisse :
Composants
Exemples de composants utilisants ce boîtier (limité à 10) :
Composant
Référence
Fabricant
Description
Pont de diodes
BR606G
HY Electronic Corp
Pont redresseur monophasé, 6A 600V, BR-6, 4 broches